JU

LIETUVOS RADIJUI ŠIEMET SUKANKA 100 METŲ (2026)

SUDĖTINGA PIRMOJO KAUNO RADIOFONO ISTORIJA

1926 metais Lietuvoje pradėtos transliuoti pirmosios radijo laidos. Lietuva, gerokai atsilikusi nuo daugumos Europos valstybių, tais metais pradėjo savo radijo transliacijas. Signalas sklido iš Kaune, Žaliakalnyje, Vaižganto gatvėje esančio pastato. Pastato istorija prasidėjo 1913 metais kai carinės Kauno tvirtovės ryšio priemonės buvo papildytos radijo ryšio įranga. Šiai įrangai sumontuoti buvo pastatytas strateginės paskirties kazematuotas radijo stoties pastatas. Statinio paskirtis buvo užtikrinti ryšį su tolimais valdymo centrais, su vadais, kariuomenėmis. Nuo pat pradžių tai turėjo būti betoninis bunkeris su storomis sienomis, kurios atsparios sviediniams. 1915 metais pastatas buvo baigtas.

Kai Lietuva tapo nepriklausoma ir atsirado poreikis turėti radijo ryšį, šis bunkeris buvo pasirinktas kaip tinkamas radijo stoties darbui. Tam reikėjo pakoreguoti pastato architektūrą. Į pagalbą pasitelkta prancūzų firma, kuri pastatą rekonstravo. Buvo įrengti langai, buvęs tamsus ir drėgnas po žeme esantis bunkeris buvo paverstas reprezentaciniu statiniu. Prdžioje buvo planuojama įrengti tik telegrafo aparatūrą grynai valstybiniam ryšiui, bet greitai susivokta kad to nepakaks.

Radijo stotis pirmaisiais veikimo metais statinys viduje buvo prikimštas aparatūros. Jo paskirtis nebuvo užtikrinti patogias darbo vietas diktoriams ar žurnalistams, o laikyti tam tikrus įrengimus, užtikrinant jų atsparumą nuo klimato poveikio ir kitų galimų pavojų. Tai buvo strateginis valstybės objektas. Po to viskas ne kartą buvo tvarkoma, tobulinama. Įranga, kuri vėliau buvo sumontuota tame pastate, jau leido atlikti balso transliacijas. Radijo laidos iš Kauno Vytauto kalno buvo transliuojamos iki tol, kol funkcijas perėmė 1950 metais pradėjusi veikti galinga Sitkūnų radijo stotis. Tada stoties teritorijoje buvo pastatyti Stalino "vargonai", t.y. užsienio stočių trukdytuvai.

Foto Radijo stoties statyba susidūrė su nemažais sunkumais. Gynybos ministerijoje trūko lėšų, todėl stoties statyba buvo patikėta Susisiekimo ministerijai. 1923 metų liepą buvo paskelbtas konkursas, kuriame dalyvavo keturios užsenio firmos. Tai buvo "Telefunken", "Markoni", prancūzų "Societe Francaise Radioelectrique" (SFR) ir mažai kam žinoma vokiečių "Erich Gutt". Technines sąlygas siūstuvui ir priėmimo aparatūrai sudarė to meto vienas geriausių specialistų, radijo inžinierius Alfonsas Jurskis. 1912–1916 m. mokėsi Peterburgo politechnikos institute, kur įgijo elektrotechnikos inžinieriaus ir jūrų laivyno radijo mechaniko specialybę. 1916–1919 m. tarnavo radistu ledlaužių laivyne, plaukiojo tarp Archangelsko, Murmansko ir Anglijos uostų. 1919 m. dirbo Anglijoje. 1919 m. lapkričio 7 d. grįžo į Lietuvą, įstojo į Lietuvos kariuomenės Elektrotechnikos batalioną. Tarnavo laisvai samdomu radijo inžinieriumi, organizavo Elektrotechnikos dirbtuves ir joms vadovavo. 1921–1923 m. ryšių kursuose dėstė elementariosios radiotechnikos pagrindus. Karo technikos valdybos narys. 1923–1924 m. gilino žinias Paryžiaus aukštojoje elektrotechnikos mokykloje, kur įgijo inžinieriaus radiotechniko diplomą. Jo vadove buvo žymi fizikė profesorė Marija Sklodovska-Kiuri. Kurį laiką dirbo Eifelio bokšto radijo stotyje. 1924 m. grįžo į Lietuvą, paskirtas į Aukštuosius karo technikos kursus. Čia vadovavo savo įsteigtai Radijo laboratorijai, dėstė radiotechniką, elektrotechniką, matematiką.

Užsakymas pastatyti radijo stotį buvo atiduotas Prancūzijos firmai „Societe Francaise Radioelectrique“, kuri 1923 m. Žaliakalnyje, Vytauto kalne, pradėjo 3,5 kW radijo stoties statybos darbus, toje pat vietoje, kur stovėjo Rusijos armijos telegrafo stotis. Stoties ir statybos viršininku paskirtas patyręs radijo inžinierius Kleopas Gaigalis. Stotį pastačius, išaiškėjo kad prancūzų firmos gaminys neatitinka pateiktų reikalavimų. Teko perdarinėti, todėl stoties faktinis paleidimas užtruko iki 1926 metų.

Siųstuvas dirbo 1961 metro banga (153 kHz). Antena buvo įrengta ant dviejų 150 metrų aukščio stulpų. Perduodamų dažnių juosta buvo nuo 300 iki 2400 Hz. Stotis priklausė Susisiekimo ministerijai. 1927 m. lapkričio 28 d. perėjo Krašto apsaugos ministerijos žinion, o 1930 m. gegužės 5 d. vėl perduota Susisiekimo ministerijai. Pirmaisiais metais Kauno radiofono laidos trukdavo maždaug 1,5 val. per dieną. Programą sudarė žinios, orų pranešimai, visuomenės veikėjų paskaitos, muzika.

Foto Stočiai pradėjus veikti, paaiškėjo kad 3,5 kW galingumo nepakanka norint klausyti paprastučiais detektoriniais imtuvėliais. Detektorinis - tai toks imtuvėlis kuris neturi lempų, nėra jokio stiprinimo ir veikia tik nuo energijos, gautos iš antenos. Kaimo žmonės neturėjo galimybių įsigyti gerų lempinių aparatų, jų kainos buvo neįkandamos. Lietuvoje buvo pradėtas gaminti vienos lempos aparatukas, kuris turėjo galimybę nusilpus baterijoms persijungti į detektorinį, veikiantį nuo kristalo. Kaime buvo populiarus, vadintas "tautofonu". Kilo būtinybė statyti naują, galingą radijo stotį, kuri ir buvo pradėta statyti Sitkūnuose , tačiau paleista jau tik po karo. Stoties teritorija buvo paskirta KGB objektui, Stalino "vargonams", t.y. užsienio stočių trukdytuvams, pastatyti 3 nauji antenų bokštai.



konv2

1. Stotis, vaizdas iš viršaus

ci

2. Centrinis įėjimas 1929m.

ci

2. Valdymo pultas 1930m.

konv2

3. Apleistas radio stoties pastatas

konv2

4. Aparatūros patalpa


KAUNO RADIJO STOTIES TECHNINIAI SPRENDIMAI

Techninių duomenų apie šios Kauno radijo stoties įrangą mažai išlikę. Pavyko rasti tik dalį schemos ir keletą foto.

sch Pati schema 1923-tiems metams, kada buvo užsakytas projektavimas yra būdinga šiam radio technikos apyaušriui. Ji nėra sudėtinga, matome elementarų LC generatorių, kuriame dvi lempos po 1,5 kW sujungtos lygiagrečiai galingumo padidinimui, jos užmaitintos 1000V įtampa. Dažnį užduodantys kondensatoriai sujungti 3 nuosekliai, matyt leidžiamos įtampos padidinimui. Aukšto dažnio signalas per papildomą ritę paduotas į galinį kaskadą su galingesne 5 kW lempa, kuri jau maitinama tikrai aukšta, 12000 V įtampa. Įdomu būtų surasi maitinimo schemas, bet tokių neaptikau. Toliau signalas per LC filtrą paduotas į galinio laipsnio tinklelį, lempa dirba tikriausiai AB režimu, nes nematome tinklelio priešįtampio. Teisingiau būtų grynas B ar netgi C režimas, kas leistų ekonomiškiau išnaudoti lempos atiduodamą galingumą ir padidintų jos resursą. Aprašytoji dalis skirta sukurti nešantį dažnumą, kuris tetiktų naudoti telegrafui. Norint perduoti balsą, reikia nešantį dažnį moduliuoti pagal mikrofono sukurtą signalą.

Stotyje panaudotas moduliatorius yra visiškai nebūdingas šiems laikams. Jame nėra brangių galingų radijo lempų. Tai magnetinis stiprintuvas šiuo atveju dirbantis kaip signalo moduliatorius. Silpnas mikrofono signalas buvo sustiprinamas paprastomis pigiomis radijo lempomis iki reikalingo magnetiniam moduliatoriui dydžio ir paduodamas į jo induktyvumus. Toks moduliatorius pasižymi dideliu ekonomiškumu, geru moduliacijos gyliu ir sąlyginai nedideliais signalo iškraipymais. Tačiau jo pirminis variantas turėjo nepakankamą moduliacijos gylį, garsas buvo silpnokas ir stoties viršininkas Kleopas Gaigalis privertė prancūzų firmą tą moduliatorių pakeisti. Todėl stoties galutinis paleidimas užtruko. Antenos ryšio induktuvumo ritė yra šuntuojama lygiagrečiomis moduliatoriaus LC grandinėmis. Kol mikrofonas yra be signalo, tos grandinės šuntuoja antenos išėjimo grandines taip, kad antenoje yra maždaug pusė įmanomo signalo. Atsiradus mikrofono srovei, magnetinio stiprintuvo šerdžių įmagnetinimo lygis kinta proporcingai mikrofono srovei. Kondensatorių talpumai parinkti taip, kad srovė antenoje priklauso nuo mikrofono srovės dydžio ir tai padidėja nuo savo vidutinės vertės, tai sumažėja. Taip kinta ir antenos spinduliuojama energija pagal mikrofono garsą. Nuostabu, bet tokio tipo magnetiniu stiprintuvu galima pasiekti stiprinimo koeficientą pagal galingumą iki 1000 ir netgi dar daugiau.

ant Šių dienų akimis žiūrint, kiek keistas stoties perduodamo dažnio pasirinkimas. Gal tiesiog kiti jau buvo užimti, nes LW (ilgų bangų) diapazone telpa labai nedaug radijo stočių. Stotis dirbo 153 kHz dažniu, kas atitinka beveik 2 km bangos ilgį. Tai jau sudaro tam tikrų problemų. Norint kad antena dirbtų efektyviai, savo rezonanse, jos išmatavimai turi būti artimi bent 1/4 bangos ilgiui, t.y. mūsų atveju apie 500m. Tą sunku pasiekti ir Vytauto kalne nebuvo tiek vietos. O tai jau dar mažino stoties efektyvumą.

Nuotraukoje matome du stulpus po 150m aukščio, kas tikrai sudarė sunkumų efektyviam antenos darbui. Pasirinkus stočiai aukštesnį dažnį, t.y. trumpesnį bangos ilgį, efektyvumas galėjo būti geresnis. Štai Lenkija pastatė radio stotį veikiančią 226kHz dažniu ir ilgai buvusį aukščiausią pasaulyje 646 metrų laisvai stovintį antenos bokštą, prilaikomą atotampų. Jis griuvo atliekant remonto darbus 1991 metais.

Kaip ten bebūtų, tais laikais radijas buvo to meto stebuklas, leidęs visuomenę informuoti akimirksniu. Šiais laikais, kai turime TV, turime internetą, radijas yra nuslinkęs į pilką zoną, bet vis dar atlieka savo vaidmenį. Radijo stotyje buvo ne tik siūstuvas, bet taip pat ir priėmimo aparatūra tolimoms radijo stotims priimti.

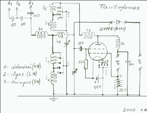
Foto Pabaigai aprašyta populiariojo, Lietuvoje gaminto vienos baterinės lempos "tautofono" schema. Imtuvas maitintas iš dviejų baterijų, lempos kaitinimui 1,2V elementas ir anodinė maitinimo įtampa iš 20V baterijos. Kaimuose, kur nebuvo elektros tai buvo nemažas privalumas. Imtuvas buvo ekonomiškas, baterijų užtekdavo gan ilgam. Neturėjo garsiakalbio, būdavo klausoma per ausines. Išsieikvojus baterijoms, galima buvo į lizdą priekyje įdėti detektoriaus kristalą ir veikdavo kaip paprastas detektorinis, vien iš tos energijos kuri būdavo antenoje.

Pati schema yra surinkta pagal regeneratoriaus principą, kas leisdavo pasiekti nemažą jautrumą teisingai juo naudojantis. Turėjo 3 diapazonus, ilgąsias, vidurines ir trumpas bangas. Galima buvo išgirsti ne tik Kauną, bet ir gan tolimas Europos stotis. Trumpose bangose ir tolimesnes.

Gerėjant materialinei visuomenės padėčiai, pragyvenimo lygiui, Lietuvoje, ypač Kaune atsirado ir labai aukštos klasės, žinomų firmų, tokių kaip "Telefunken", "Philips" ir panašių radijo imtuvų.


konv2

1. Siūstuvo aparatūra

ci

2. Valdymo pultas 1925m.

ci

3. Didžiulė rėminė antena Amerikos stotims priimti

konv2

Priėmimo aparatūra

konv2

4. Finalas. Išmesti aukštos įtampos kondensatoriai