UNIVERSLUS STIPRINTUVO VALDYMO BLOKAS SU BEKONTAKTE AKUSTIKOS APSAUGA ::: 2020 ::: ⌂⌂⌂

Šis straipsnelis skirtas DIY-stams, iki šiol turintiems noro ir sugebėjimų ką nors daryti savomis rankomis. Daug kas iš jų gaminasi savus garso stiprintuvus, dažnai dėl keleto priežasčių. Ar tai gamyliniai netenkina dėl savo techninių sprendimų, ar dėl skambesio, ar dėl kainos pagaliau. Tokie gaminiai šiais laikais dažniausiai apsiriboja labai minimalistiniais sprendimais, tokia mada ir tendencija. Čia aprašytas vienas DIY stiprintuvo mazgų, leidžiančių išeiti iš šio uždaro rato ir žymiai pagerinti naudojimosi stiprintuvu patogumą.

Konstrukcija

Šis daug funkcijų atliekantis mazgas yra sumontuotas nedidelėje 100x90mm dvisluoksnėje PCB plokštėje. Prie stiprintuvo ir valdymo bei indikacijos elementų prijungiamas plokščiais kabeliukais su jungtimis. Jis atlieka šias funkcijas:

  1. Distancinis stiprintuvo valdymas. Įjungimas - išjungimas, perjungiami 4 įėjimai, garso reguliavimas motorizuotu potenciometru arba specializuota mikroschema, pasirinktinai. Pultelį galima panaudoti bet kokį, jo funkcijos programuojamos. Faktiškai nereikia keleto pultelių ant stalo, galima pririšti TV pultelį arba naudoti telefono appsą. Pultelio funkcijos dubliuotos priekinėje stiprintuvo panelėje.
  2. Bekontaktė akustikos apsauga. Saugo nuo bet kurios maitinimo įtampos pradingimo ir nuo pastovios įtampos dedamosios atsiradimo stiprintuvo išėjime.
  3. "Minkštas" stiprintuvo įjungimas (Soft Start).
  4. Stiprintuvo akustikos užlaikymas įjungimo ir išjungimo metu, saugantis nuo "Puf" akustikoje pereinamų procesų metu.
  5. Visos užlaikymo konstantos gali būti pakeičiamos programiškai, pritaikant konkrečiam stiprintuvui.

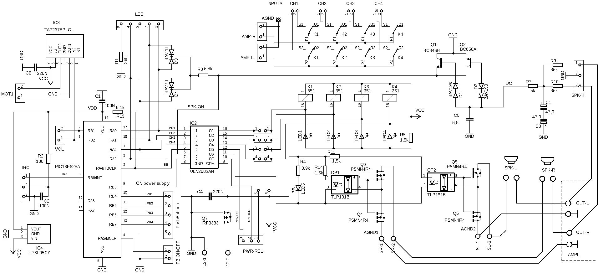
Schema ir veikimo principas

pcb

Pati schema veikia mikrokontrolerio PIC16F628A pagrindu ir visos funkcijos realizuotos programiškai. Pradėsime nuo įjungimo. Paspaudžiame mygtuką PB ON/OFF arba atitinkamą mygtuką pultelyje. PIC 9-toje kojoje atsiranda aukštas lygis ir per mikroschemą IC2 (Darlingtono tranzistorių rinkinys) jos išėjime gauname 0. Suveikia per jungtį PWR-REL pajungta maitinimo įjungimo relė. Kol kas nieko nevyksta, laukiama 2s kol nusistovės stiprintuvo maitinimo įtampos. Po 2s atsiranda aukštas lygis viename iš PIC išėjimų (RA0-RA3) ir suveikia per IC2 pajungta viena iš kanalų relių, pajungdama atitinkamą stiprintuvo įėjimą. Per diodus D3 arba D4 (schema OR) ir per R3 gauname aukštą lygį IC2 6-tame įėjime. Tuo pačiu išėjime gauname 0 ir tai aktyvina OP1 ir OP2 optronus, kurie atidaro akustikos apsaugos mosfetus Q3-Q6.

Apsaugos schema veikia taip. Atkreipiame dėmesį kad stiprintuvo išėjimai pajungti prie akustikos apsaugos schemutės gnybtų (OUT-L, OUT-R) "karštuoju" (signaliniu) išėjimo galu o akustikos "šaltas" (-) gnybtas eina į GND per nuosekliai sujungtų mosfetų porą. Taigi, komutuojama būtent akustikos "žemė". Mosfetai reikalingi du dėl paprastos priežasties, nes kiekvienas jų turi viduje parazitinį diodą, atsirandantį dėl gaminimo technologijos. Jei būtų tik vienas mosfetas, akustikos srovės vienas pusperiodis tekėtų per tą diodą. Įjungus du mosfetus priešpriešiais, šito efekto nelieka. Akustikos apsauga suveikia dingus vienai iš maitinimo įtampų arba atsiradus stiprintuvo išėjime neigiamai arba teigiamai didesnei nei 1.5V pastoviai išėjimo įtampos dedamajai. Atsitikus tokiam avariniam atvejui, pastovi dedamoji priklausomai nuo poliaringumo atidaro tranzistorius Q1 arba Q2, kurie šuntuoja mikroschemos IC2 6-tą įėjimą ir uždaro optronus OP1 ir OP2 bei raktinius apsaugos mosfetus. Srovė per akustiką nutrūksta. Išjungimas veikia atvirkščiai. Paspaudus ON/OFF mygtuką arba pultelio mygtuką pirmiausia išsijungs akustikos apsaugos raktai o tik tada po 3s išsijungs bendras stiprintuvo maitinimas, taip išvengiame visiems žinomo "puff" akustikoje.

Truputį apie panaudotus elementus. Šiais laikais vis atsiranda naujų elektronikos komponentų su tiesiog neįtikėtinais parametrais. Štai lauko tranzistorius PSMN4R4 mažyčiame D2PAK korpuse. Jo atidaryto kanalo varža 0.0038 Omo, srovė per kanalą be jokio radiatoriaus leidžiama iki 100A ir tranzistorius laiko 80V įtampą. Valdomas loginio lygio įtampa (2-4V) taigi galima padaryti skaitmeninį valdymą. (PDF). Galima panaudoti labai panašius Infineon tranzistorius IPB031N08N5. Abu variantai gan brangūs, bet kiti netinka, kitaip neišvengsime iškraipymų padidėjimo.

Antras naujoviškas elementas, labai padėjęs sukonstruoti šią schemą yra Toshiba firmos gaminamas specialus optronas TLP191B. (PDF) Jis skiriasi nuo kitų optronų tuo, kad jame jutiklis yra ne foto tranzistorius kaip įprasta, kurį uždaro paduotas į foto diodą signalas, bet foto diodo signalas apšviečia specialią matricą, kuri sugeneruoja 7V įtampą. Tiesa, srovė iš matricos visai niekinė, apie 20mkA, bet to pakanka lauko tranzistoriams valdyti.

Gali kilti natūralus klausimas, ar tokie mosfetiniai raktai neįneša papildomų iškraipymų. Galima tvirtai pasakyti, kad NE. Pats neturiu kuo tokių mažų dydžių išmatuoti, bet literatūroje aptikti tokio rakto matavimai parodo kad tie iškraipymai tėra 0.004% eilės.

Įėjimai perjungiami mygtukais be fiksacijos, jie pajungti per jungtį PushButtons. Taip pat galima perjungti pulteliu. Priekinėje sienelėje įjungtą kanalą galima indikuoti LED diodais per jungtį LED. Garsumas reguliuojamas motorizuotu potenciometru, pajungtu per jungtį MOT1. Mikroschema IC3 tai potenciometro motoriuko valdymas (H Bridge). Yra galimybė nenaudoti motorizuoto potenciometro o valdyti per specializuotą mikroschemą impulsais iš PIC per jungtį VOL.

Per jungtį IRC pajungtas infraraudonų spindulių imtuvėlis TSOP31236 arba TSOP34836 (skiriasi cokoliuotės).

EEPROM laiko konstantos

screen Mums svarbūs pačios viršutinės programatoriuje matomos eilutės adresai.

Montažas

pcb

Spausdinta plokštė dvipusė, montažas kombinuotas, DIL ir SMD detalėmis. Mikrokontroleris panaudotas DIL korpuse dėl patogumo jei prireiktų perprogramuoti. Jis įstatytas į lizdą. Stiprintuvo įėjimų komutacinės relės išdėstytos atskirtoje nuo kitų detalių PCB vietoje. Prireikus pritaikyti konkretaus aparato komponuotei, komutacines reliukes tarp jungčių J1 ir J2 galima pagal matomą liniją atpjauti nuo esamos PCB ir perkelti kitur, pajungiant jų komutaciją plokščiu kabeliuku.

Kanalų komutacijos žemės laidas AGND nesujungtas su skaitmenine žeme, jis pajungtas su bendra stiprintuvo žeme šalia įėjimo lizdų.

Kondensatoriukas C1 prilituotas iš kitos plokštės pusės tiesiai prie mikrokontrolerio 5 ir 14 kojelių.

Įėjimų komutacijos mygtukai, indikaciniai LED irgi pajungti į reikiamas vietas plokščiais kabeliukais.

Visa schema užmaitinta iš budinčio mažyčio 12V impulsinio šaltinio. Budinčiame režime ji ima viso labo keletą miliamperų. Lauko tranzistoriukas Q7 tai schemos apsauga nuo maitinimo poliaringumo sumaišymo.

Plokštės pačiam padaryti turbūt neįmanoma, tenka užsisakinėti Kinijoje. Štai čia yra gerber failų zipas šios plokštės užsakymui. Taip pat PIC mikrokontrolerio programavimui hex failiukas. Blokelio principinė schema Autodesk Eagle formatu ir jos montažinė schema.

Čia paaiškinta kaip pririšti bet kokį pultelį prie šios valdymo sistemos (PDF). Šalia relių esantys šviesos diodukai labai palengvina šią užduotį, jei derinsime plokštę dar neįdėję jos į stiprintuvą.

P.S.

Pastebėta, kad kartais schema, priklausomai nuo PIC egzemplioriaus gali veikti nestabiliai jei į mygtuką PB ON/OFF eina ilgi laidai. Tada reikia prie mikrokontrolerio 4 ir 14 kojelių prilituoti 30-50k rezistoriuką.